行业动态

了解最新公司动态及行业资讯

对环境不产生二次污染的有机污染土壤热脱附修

2017-10-20 00:58:02 224 编辑:admin 来源:本站
    现有的有机污染土壤热脱附系统存在的主要技术缺陷是 :未对烟气净化后产生的废水及经过第一级除尘器、第二级除尘器除尘后的固体粉尘进行处理,又进入周边环境中,产生二次污染。此外,整个系统是在开放环境下运行,因此在开挖土壤及系统运行过程中由于系统泄漏产生的气体及飞散的固体粉尘也都会对周围环境造成污染。
    本发明的主要目的在于针对上述问题,提供一种对环境不产生二次污染的有机污染土壤热脱附修复技术,实现在修复污染土壤的同时对烟气净化后产生的废水以及经过烟气处理系统除尘后的固体粉尘也进行处理,避免了对环境产生二次污染。
    一、技术方案是 :
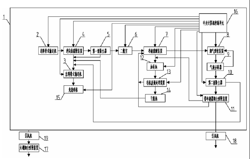
    一种对环境不产生二次污染的有机污染土壤热脱附系统,包括处理有机污染土壤的逆向热脱附装置及其烟气出口通过烟气管路依次连接的第一级除尘器、二燃室、冷凝脱酸装置、烟气吸收装置、气液分离器、第二级除尘器、带冷凝器烟尘吸附装置及控制整个系统运行的中央计算机控制单元,其特征在于在所述冷凝脱酸装置的废水出水口通过一加药池连接一有机废水处理装置的进水口,所述有机废水处理装置的出水口连接冷凝脱酸装置的冷却水进水口、有机废水处理装置的出泥口连接一干燥池的进泥口 ;所述气液分离器的出水口连接所述烟气吸收装置的进水口 ;所述带冷凝器烟尘吸附装置的废水出水口连接所述加药池的废水进水口、其冷却水出水口连接冷凝脱酸装置的冷却水进水口、其排气口连通大气以排放达标烟气 ;所述逆向热脱附装置的出料口、第一级除尘器及第二级除尘器的固体粉尘出口、干燥池的干燥泥出口均连至一免烧砖机的进料口 ;所述免烧砖机、加药池及有机废水处理装置的控制端口分别连接所述中央计算机控制单元。
    所述系统设置在气承大棚中。在所述气承大棚外设有一吸附棚内空间气体的大棚烟尘吸附装置。
    二、本发明的有益效果是 :
    本发明提供的有机污染土壤热脱附系统在完成有机污染土壤修复的同时解决了后续烟气净化处理中产生的固体粉尘及废液的处理,在有机土壤修复过程中,修复土壤包括逆向热脱附装置及后续烟气净化处理中产生的固体颗粒物及固体粉尘以及有机废水处理后获得的干燥泥均通过免烧砖机统一进行了资源化处置,烟气经过净化后达标排放,并将经有机废水处理装置进行去除有机物处理的废水净化后循环使用。尤其整个系统设置在气承大棚中,棚外还设有一吸附棚内空间气体的大棚烟尘吸附装置,从而,在开挖土壤进行处理过程中,有效避免产生的含污染物扬尘、系统泄漏的烟气及固体粉尘对环境的二次污染,达到环境保护的目的。
    三、附图说明
  对环境不产生二次污染的有机污染土壤热脱附系统结构框图
    图 1 是对环境不产生二次污染的有机污染土壤热脱附系统结构框图。
    图中 :1 气承大棚,2 进料带式输送机,3 出料带式输送机,4 逆向热脱附装置,5 第一级除尘器,6二燃室,7冷凝脱酸装置,8烟气吸收装置,9气液分离器,10第二级除尘器,11带冷凝器烟尘吸附装置,12 加药池,13 有机废水处理装置,14 干燥池,15 免烧砖机,16 中央计算机控制单元,17 大棚烟尘吸附装置,18-19 引风机。

30

装备制造经验

立即免费获取土壤修复方案

为用户提供及时、高效、便捷的服务

在线咨询
AG亚游环境希望与你携手,共创美好未来...
5